
Ashby Court
Hybrid Solution

Airsource Heat Pump
40Kw

3 Boiler Skid
115kW

Solar PV Array
59kw
KEY ISSUES FACED:
- All heating plant was deemed at end of life.
- Plantroom ventilation was non-compliant.
- BMS and system controls were not operating correctly.
- Fluing system was in a poor state of repair.
Original client brief:
Gas for gas boiler replacement and plant room upgrade.
Boxed Solution:
Hybrid solution including full plantroom upgrade, air source heat pump, and solar array.
Project details
Client:
Places for People
Address:
Ashby Court, Norwich
HSA Start Date:
Feb 2025
PROJECT PARTNERS
Hybrid Heat Solution

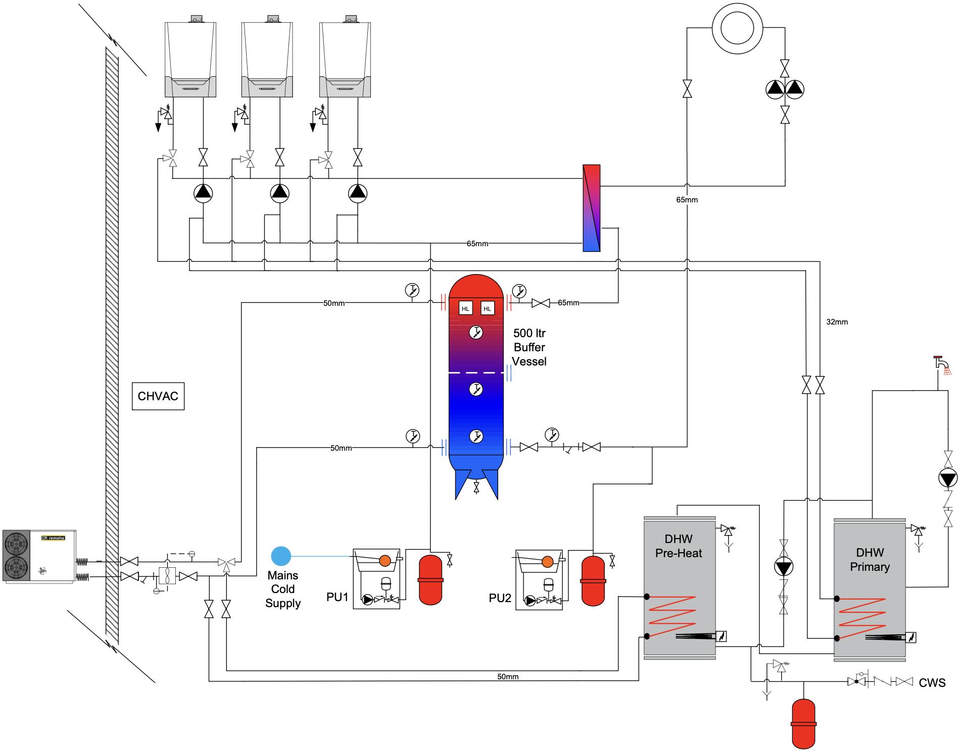
- Installation of Remeha Quinta Ace 115kW 3x boiler skid system.
- Upgraded all plant room pipework, pumps and BMS controls.
- Remote access enabled, and innovative hybrid controller installed.
- Communal areas have a visual temperature display to give the tenants and staff confidence in the system's operation.
- Installation of 2x 300 ltr McDonald solar-ready steel flow hot water cylinders.
- Installation of a new Baxi Effenca MT 40kw Air Source Heat Pump.
- Installation of buffer vessel.
- State-of-the-art noise barrier fence surrounding the ASHP to protect resident comfort.
- Installation of 59kW Solar PV across the length of the roof.
- Via the BMS this energy is utilised to power the ASHP and any unused surplus used by the plantroom.
- The chart below demonstrates the match for plantroom demand and solar production.
Solar Generation & Consumption
Impact
Heating and hot water is now 88% more carbon neutral
Reduced costs with 10% of the savings going to the residents
326,765 kWh saving and 60,790.39kg CO2 savings per year.
- Industry-leading design and support by a UK manufacturer.
- Advanced BMS increases longevity of all the equipment with better visibility and efficiency of the entire system.
- A hi-tech low-carbon scheme offering consistent energy savings.
- Real term cost reduction for both the landlord and end user.
- Flexibility of hybrid system offers peace of mind to all stakeholders and end users.
- Boxed 20-year lifecycle replacement of all primary heating equipment gives complete ‘rep-ex’ cost certainty.
RESIDENTS

Comfort and Affordability:
Consistent heat and hot water.
Energy Cost Savings:
Reduction in residents' energy bills by over 40% by harnessing clean and renewable energy.
LANDLORD

Operational Cost Reduction:
Energy-efficient technologies with decreased utility expenses.
Long-term Sustainability:
Demonstrates commitment to environmental responsibility
ENVIRONMENT

Reduced Carbon Footprint:
Clean energy generation and ultra-efficient systems
Future-Proof:
Set up to connect with future advancements in sustainable technology.
GALLERY









